¡Ponte en contacto ahora!        +86-15655577781        info@zfymachine.com
NOTICIAS
Suscríbete para más actualizaciones
Hogar » Noticias » ¿Qué es la innovación en sistemas hidráulicos de prensa plegadora?

¿Qué es la innovación en sistemas hidráulicos de prensa plegadora?

Vistas:1022     Autor:Editor del sitio     Hora de publicación: 2020-12-30      Origen:Sitio

facebook sharing button
twitter sharing button
line sharing button
wechat sharing button
linkedin sharing button
pinterest sharing button
whatsapp sharing button
sharethis sharing button

Press Brake es una maquinaria de plegado ampliamente utilizada, que durante mucho tiempo se ha realizado hidráulicamente.La máquina dobladora como un equipo importante para el procesamiento de chapa, desempeña un papel insustituible, la calidad del producto, la eficiencia del procesamiento y la precisión juegan un papel decisivo.


4

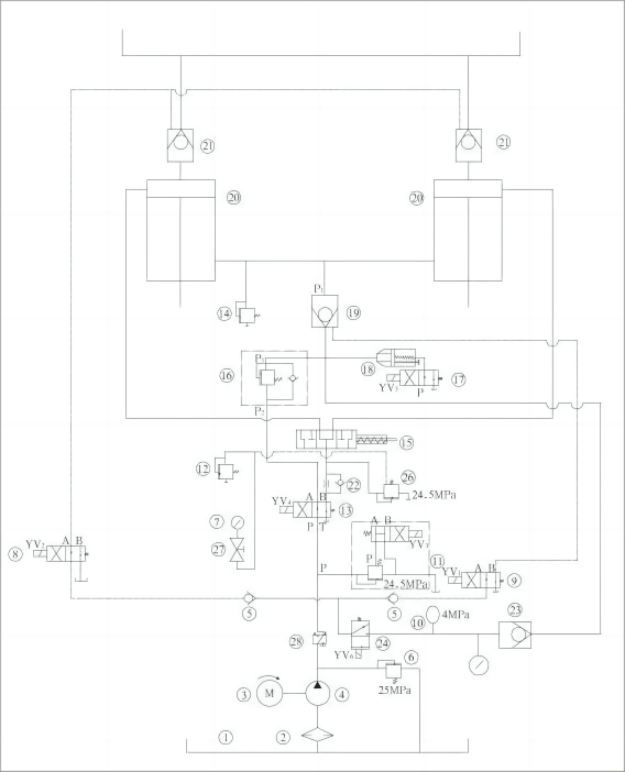
1. Arranque de la bomba de aceite

El motor eléctrico gira en la dirección marcada por la flecha de la bomba, es decir, en el sentido de las agujas del reloj, impulsando la bomba de pistones axiales para que funcione, y el aceite ingresa a la placa de la válvula y la válvula de alivio del solenoide de regreso al tanque a través de la tubería, cuando la válvula No.19 está cerrado, el aceite en la cavidad inferior del cilindro No.20 mantiene la corredera detenida en la posición fija.


2. Movimiento descendente

El movimiento descendente rápido de la máquina dobladora es generado por el peso propio de la viga de la máquina dobladora y los accesorios y la presión del aceite.En este proceso, la cavidad sin varilla del cilindro hidráulico a través de la válvula de llenado en el aceite, la cavidad de la varilla producirá una contrapresión, el aceite volverá a fluir rápidamente.El movimiento de avance rápido comienza desde el punto muerto superior y, después de una breve etapa de desaceleración, el pistón se ralentiza a cierta distancia de la placa de flexión.

Cuando el solenoide No.9 YV1, No.24 YV6, No.13 YV4, No.17 YV5 funciona, el control deslizante desciende rápidamente y la velocidad de descenso se ajusta mediante la válvula No.18.El aceite de la cámara inferior del cilindro No.20 ingresa al tanque de aceite a través de No.19, No.18, No.17 y el aceite de la cámara superior del cilindro No.20 se inyecta a través de la válvula No.21.

Cuando el deslizador desciende al interruptor de límite, los solenoides No.9 YV1, No.8 YV2, No.11 YV3, No.13 YV4, No.24 YV6 funcionan y el deslizador ingresa a la velocidad de trabajo.Si la corredera no está sincronizada, será corregido automáticamente por la válvula No. 15, y la posición descendente de la corredera está limitada por el tope mecánico en el cilindro.


3. Doblado

La etapa de flexión comienza con la construcción de presión en la cámara sin vástago.La velocidad de plegado está limitada por el suministro de aceite de la bomba de aceite, por un lado, y puede ajustarse mediante la válvula direccional de la válvula proporcional, por otro lado.Al mismo tiempo, la válvula direccional también controla el funcionamiento sincrónico de la viga de flexión y el posicionamiento del punto muerto inferior.La fuerza de flexión está limitada por la válvula de alivio proporcional para limitar la presión de la bomba.La velocidad, sincronización, posicionamiento y presión correspondientes son dadas por el CNC.

Los solenoides YV3, No.13 YV4, No.24 YV6 funcionan durante el tiempo necesario para alcanzar la distancia del deslizador hacia abajo, la velocidad del deslizador hacia abajo se ajusta mediante la válvula No.16, el deslizador hacia arriba se controla mediante el No.11 YV3, No.24 YV6, y el mismo solenoide funciona durante el tiempo necesario para alcanzar la distancia del deslizador hacia arriba.


4. Descompresión

La descompresión de la cámara sin varillas comienza cuando se alcanza el punto muerto inferior, o después de un breve tiempo de espera, de modo que el material tiene tiempo suficiente para formarse y se mejora aún más la precisión dimensional de la pieza.Tanto la retención como la descompresión son realizadas por una válvula direccional proporcional, comandada por el CNC.Para mejorar la eficiencia del procesamiento, el tiempo de descompresión debe ser lo más corto posible, pero para evitar golpes de descarga en todo el sistema, se requiere extender el tiempo de alivio de presión tanto como sea posible.En resumen, la curva de descompresión debe ser lo más suave posible y no demasiado pronunciada.La optimización de todo el proceso se logra mediante la válvula direccional proporcional.


5. Carrera de retorno del cilindro maestro

El caudal de la bomba y el área de soporte de presión de la cámara del vástago del cilindro hidráulico determinan la velocidad de retorno máxima, que en la mayoría de los casos está cerca de la velocidad más rápida.

La carrera de retorno también requiere una operación sincronizada, comenzando desde la descompresión de la cámara de la barra y terminando en el punto muerto superior.

En el instante de la carrera de retorno, se requiere que el solenoide n.° 8 YV2 se reinicie durante 2 s para lograr el alivio de la presión, seguido de los solenoides n.° 11 YV3 y n.° 24 YV6 para que funcionen y el control deslizante regrese con una velocidad de retorno constante. .


6. Ajuste de presión de la máquina.

La válvula de alivio de alta presión n.º 6 y la válvula de alivio de solenoide n.º 11 garantizan la fuerza nominal de la máquina.La válvula de alivio No. 14 regula la fuerza de retorno de la máquina, para no dañar la máquina debido a una sobrecarga, y la presión de trabajo en el sistema hidráulico se puede leer en el manómetro No. 7.Presión de llenado del acumulador No. 10, principalmente para manipular la presión requerida para la válvula No. 19 / No. 21.



Innovación en sistemas hidráulicos de plegadora

El desarrollo del sistema hidráulico al mismo tiempo, promueve el rápido desarrollo de la industria de la máquina herramienta, con el fin de adaptar el sistema hidráulico a las necesidades de desarrollo de alto rendimiento, alta precisión y dirección de automatización, tecnología hidráulica CNC, tecnología servo electrohidráulica y otras nuevas la tecnología hidráulica también está en rápido desarrollo. El accionamiento de prensa híbrido ePrAX recientemente desarrollado por HOERBIGER revoluciona las soluciones convencionales para prensas plegadoras.

5 图


5 图


Es un sistema electrohidráulico que combina las ventajas de ambas tecnologías de accionamiento: a diferencia de un accionamiento eléctrico, es potente y duradero gracias al sistema hidráulico, pero debido al diseño compacto y cerrado, prescinde de las tuberías de aceite, lo que hace que su funcionamiento sea limpio y sin fugas. , porque todos los componentes, incluido el sistema de depósito, están integrados de forma compacta en el ePrAX.El ePrAX traduce la entrada eléctrica del controlador de la máquina (CNC) en movimiento lineal mecánico.Para lograr esto, el controlador de la máquina se comunica con el controlador del eje y, posteriormente, con el controlador del motor.Los actuadores sincronizados siguen perfiles preseleccionados, que consisten en un movimiento de trabajo o un movimiento rápido y un movimiento de trabajo, utilizando un seguimiento controlado.El accionamiento controla la posición de la herramienta de plegado - y su fuerza durante el estampado - con una unidad de bomba de motor de velocidad variable.


6

Ventaja

El ePrAX es un accionamiento de prensa inteligente e integrado con un sistema hidráulico cerrado sin tuberías con inteligencia funcional innovadora.El ePrAX ofrece a los clientes los siguientes beneficios:

• Plug & Work: tiempos de montaje y puesta en marcha reducidos gracias al actuador completamente premontado y probado

• Rápido: mayor rendimiento hasta en un 30 % al reducir el tiempo de ciclo (tiempos de rampa más cortos)

• Preciso: precisión de posicionamiento de hasta 5 pm

• Hasta 7.000 horas de funcionamiento y después de esto ciclos de mantenimiento significativamente más largos como sistemas estándar

• Mayor eficiencia energética en comparación con las soluciones electrohidráulicas y electromecánicas convencionales.Desarrollo fenomenal de ruido reducido en todos los modos de funcionamiento

• En comparación con los accionamientos hidráulicos convencionales: - mayor rigidez y capacidad de control debido a la presión inicial interna


Parque industrial de alta tecnología Bowang District Ma'anshan, Anhui, China

+86-555-6761960
+86-15655577781

categoria de producto

Plan de actualización

Medición del ángulo de flexión

Boletin informativo

Únase a nuestro boletín y reciba ofertas exclusivas, actualizaciones y ZFY noticias.

Deje mensaje
CONTÁCTENOS

Copyright 2018 | All Rights Reserved | ZFY | Sitemap.| Privacy Policy